Products
SC505
Swipe left and right more
※ SC505
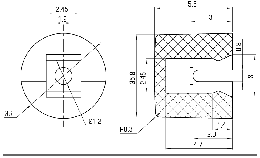
SC5 series with inner size 2.4×2.4mm for 6×6 square stem tact switch | |
| COLOR: | White , Grey , Black , Red |
| MOQ: | 1000PCS |
※ DIAGRAM

| Total Height | 9.7 | 10 | 10.2 |
| Switch Height | 7 | 7.3 | 7.5 |




khancn3
