Products
SC228
Swipe left and right more
※ SC228
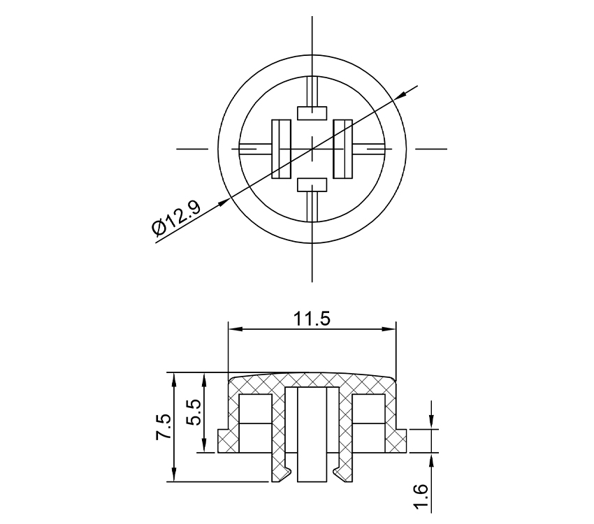
SC2 series with inner size 3.8×3.8mm for 12×12 square stem tact switch | |
| COLOR: |
|
| MOQ: | 1000PCS |
※ DIAGRAM





khancn3
